
| Black lines |
- supporting
structure |
| Red Stripes |
- catwalks
(access) |
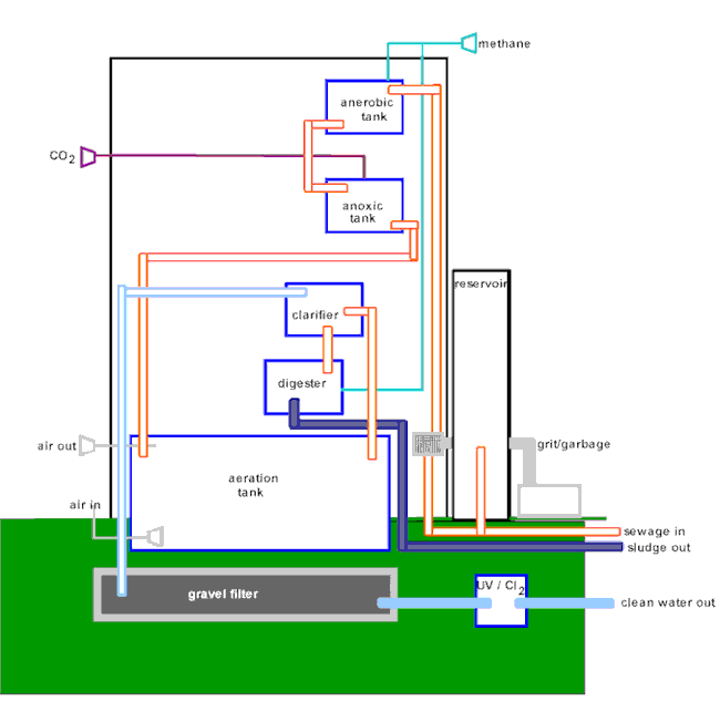
Piping has
been omitted but the flow sequence is as follows
grit chamber - primary clarifier - anaerobic - anoxic - aeration -
final clarifier - gravel pit - chlorination |
BioMass:
A Vertical Solution
|
volumes
(gallons) |
water weight |
|
|
pounds |
| final clarifier |
500000 |
4170000 |
| aeration |
900000 |
7506000 |
| anoxic |
250000 |
2085000 |
| anaerobic |
5500 |
45870 |
| chlorinator |
39000 |
325260 |
| primary clarifier |
125000 |
1040000 |
| egg digester |
660500 |
5508570 |
total |
(lbs) |
20680700 |
|
(tons) |
10350 |
Notes
and Descriptions
- All
containers with the exception of the gas container will be filled with sewage.
- Sludge from the primary and final clarifiers go to the dewatering station and then to
the digester and gas from the digester and the anaerobic go to the gas container.
- The pump house, dewatering facility
and the grit chamber are all sitting on the gravel pit (ground).
- The approximate height of the entire structure will be 180 feet with a diameter of 110
feet.
- The total weight of the water/sewage is 10,350 tons. |
|